Chargement

Site réservé aux professionnels uniquement. Pour vous inscrire, veuillez contacter le service commercial au 01 69 19 21 40.

CULASSE
1
Vis, M6×110
Ref : 46774
2
Vis, m6×20
Ref : 46616
3
Rondelle, φ6,5×1×φ12
Ref : 46775
4
Couvercle de culasse
Ref : 46776
5
Joint de couvercle de culasse
Ref : 46777
6
Vis, M6×32
Ref : 46778
7
Bougie d'allumage
Ref : 46779
8
Ensemble de culasse
Ref : 46780
9
Joint torique, φ29.6×3.2
Ref : 46781
10
Couvercle de chambre à soupapes
Ref : 46782
11
Couvercle de culasse gauche
Ref : 46783
12
Joint de couvercle de culasse
Ref : 46784
13
Joint de couvercle supérieur de culasse
Ref : 46785
14
Couvercle supérieur de culasse
Ref : 46786
15
Rondelle, φ7.3×2.5×φ14
Ref : 46787
16
Rondelle, φ7.3×2.5×φ14
Ref : 46788
17
Écrou M7
Ref : 46789
18
Joint de pipe d'admission
Ref : 46790
19
Vis, m6×25
Ref : 46663
20
Tuyau d'admission
Ref : 46791
21
Joint torique, φ25×2.4
Ref : 46792
22
Joint de carburateur
Ref : 46793
CYLINDRE
1
Goupille cylindrique, φ8×12×φ7
Ref : 46794
2
Bague 9.5
Ref : 46795
3
Joint rectangulaire, 8×10.8×1.5
Ref : 46796
4
Goupille cylindrique, φ8×14×φ7
Ref : 46797
5
Joint de culasse
Ref : 46798
6
Vis, M6×16
Ref : 46799
7
Clip de fil haute tension
Ref : 46800
8
Vis, m6×23
Ref : 46801
9
Bloc-cylindres
Ref : 46802
10
Vis, M6×20
Ref : 46803
11
Ensemble de galets de guidage de chaîne
Ref : 46804
12
Rondelle, φ8×1.5×φ14
Ref : 46805
13
Guide de chaîne avec axe de rouleau
Ref : 46806
14
Joint rectangulaire, 11.5×16×2.5
Ref : 46807
15
Joint de bloc-cylindres
Ref : 46808
DISTRIBUTION
1
Verrou de soupape
Ref : 46809
2
Ressort de selle
Ref : 46810
3
Ressort de soupape interne
Ref : 46811
4
Ressort de soupape externe
Ref : 46812
5
Ressort intérieur, ensemble
Ref : 46813
6
Joint de valve de chambre à air
Ref : 46814
7
Soupape d'admission
Ref : 46815
8
Soupape d'échappement
Ref : 46816
9
Bras oscillant
Ref : 46817
10
Écrou de jeu aux soupapes
Ref : 46818
11
Vis, Jeu de soupapes
Ref : 46819
12
Assemblage de bras de culbuteur de soupape
Ref : 47603
13
Arbre à cames
Ref : 46820
14
Arbre à cames complet
Ref : 46821
15
Pignon de distribution
Ref : 46822
16
Vis, M5×12
Ref : 46823
17
Ensemble de réglage de chaîne
Ref : 46824
18
Levier de tension de l'essieu
Ref : 46825
19
Tige de poussée du tendeur de chaîne de distribution
Ref : 47604
20
Roue de tension de chaîne
Ref : 46826
21
Ressort
Ref : 46827
22
Rondelle, φ14×1.5×φ20
Ref : 46828
23
Bouchon de vidange M14×1.5
Ref : 46829
24
Pignon de chaîne
Ref : 46830
25
Ressort de soupape externe, retenue
Ref : 46831
CARTER EMBRAYAGE
1
Jauge à huile
Ref : 46832
2
Joint 18x3
Ref : 46659
3
Couvercle de Carter de Vilebrequin décoratif
Ref : 46833
4
Vis M6×40
Ref : 46650
5
Tube d'huile
Ref : 46834
6
Goupille cylindrique, φ8×12×φ6.3
Ref : 46835
7
Joint de couvercle de carter inférieur
Ref : 46836
8
Couvercle de carter droit
Ref : 46837
9
Vis, M6×80
Ref : 46838
10
Vis, M6×90
Ref : 46839
11
Vis, M6×65
Ref : 46840
12
Vis, M6×16
Ref : 46841
13
Écrou m8
Ref : 46608
14
Rondelle
Ref : 46842
15
Joint torique, φ8×1.8
Ref : 46843
16
Vis, M6×42
Ref : 46844
CARTER ALLUMAGE
1
Joint d'étanchéité du carter d'embrayage
Ref : 46845
2
Joint torique 13,2×2,65
Ref : 46672
3
Goupille cylindrique, φ8×12×φ6.3
Ref : 46835
4
Joint de couvercle de carter inférieur
Ref : 46846
5
Couvercle de carter gauche
Ref : 46847
6
Couvercle de carter arrière du moteur
Ref : 46848
7
Vis, M6×30
Ref : 46849
8
Vis, m6×55
Ref : 46666
9
Vis, M6×32
Ref : 46850
10
Joint torique 27,4×2,65
Ref : 46674
11
Bouchon de réservoir avec grand trou de visualisation
Ref : 46851
12
Colle solide
Ref : 46852
13
Colle solide
Ref : 46853
EMBRAYAGE
20
Pignon d'entraînement
Ref : 46854
21
Pignon d'entraînement complet
Ref : 46855
22
Circlips
Ref : 46856
23
Joint de couvercle d'embrayage primaire
Ref : 46857
24
Embrayage complet
Ref : 46858
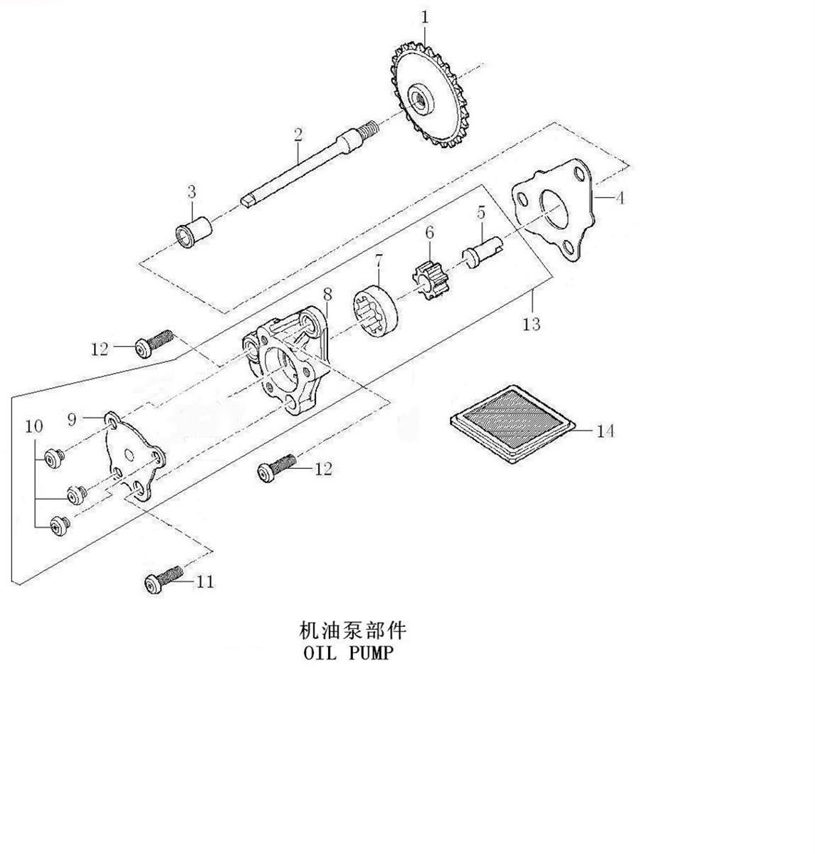
POMPE A HUILE
1
Pignon de chaîne de distribution de moyeu de pompe à huile
Ref : 46859
2
Arbre de transmission de pignon de pompe à huile
Ref : 46860
3
Bague de pignon
Ref : 46861
4
Joint de pompe à huile
Ref : 46862
11
Vis, M6×22
Ref : 46863
12
Vis, M6×16
Ref : 46864
13
Pompe à huile
Ref : 46865
14
Filtre à huile
Ref : 46866
CARTER MOTEUR CENTRAL GAUCHE
1
Boulon d'étude de cylindre A
Ref : 46867
2
Roulement, 6001
Ref : 46868
3
Roulement, 6203
Ref : 46869
4
Collecteur d'admission
Ref : 46870
5
Goupille, φ10×14
Ref : 46707
6
Vis M6×60
Ref : 46667
7
Clip de fil haute tension
Ref : 46800
8
Vis, m6×50
Ref : 46651
9
Joint d'huile 17×29×5
Ref : 46871
10
Vis, M6×65
Ref : 46840
11
Bloc de carter gauche
Ref : 46872
12
Joint torique, φ8×1.8
Ref : 46843
13
Goupille cylindrique, φ8×12×φ6.3
Ref : 46835
CARTER MOTEUR CENTRAL DROIT
1
Roulement à billes (6201)
Ref : 46873
2
Roulement, 6203
Ref : 46869
3
Joint de carter inférieur
Ref : 46874
4
Bloc-cylindres droit
Ref : 46875
5
Boulon d'étude de cylindre B
Ref : 46876
6
Rondelle, φ12.1×2×φ20
Ref : 46877
7
Bouchon de vidange d'huile
Ref : 46878
PISTON
1
Segment de piston
Ref : 46879
5
Bague de contrôle du piston du axe
Ref : 46880
6
Pignon de chaîne
Ref : 46881
7
Aiguille, Piston
Ref : 46882
12
Bielle de vilebrequin
Ref : 47605
TRANSMISSIONS
1
Arbre secondaire de transmission
Ref : 46883
2
Unité d'axe principal
Ref : 46884
5
Circlips
Ref : 46856
6
Unité d'arbre intermédiaire
Ref : 46885
7
Vis, m6×10
Ref : 46886
8
Plaque de fixation du pignon de transmission
Ref : 46887
9
Pignon de sortie de boîte
Ref : 46888
ALLUMAGE
1
Rotor d'allumage
Ref : 46889
2
Embrayage à roue libre
Ref : 46890
7
Rotor d'allumage
Ref : 46891
8
Vis, M8×15
Ref : 46892
9
Stator d'allumage
Ref : 46893
10
Écrou
Ref : 46894
11
Vis, M6×22
Ref : 46895
12
Vis, M5×12
Ref : 46896
13
Plaque de fixation du câble de magnéto
Ref : 46897
14
Vis, M6×16
Ref : 46799
DEMARREUR ELECTRIQUE
1
Vis M6×28
Ref : 46668
2
Ensemble démarreur
Ref : 46898
3
Joint torique, φ33×2
Ref : 46899
4
Pignon
Ref : 46900
5
Bague de retenue, 11
Ref : 46901
6
Plaque de guidage d'assemblage
Ref : 46902
7
Plaque de protection de chaîne d'assemblage
Ref : 46903
8
Chaîne d'entraînement du démarreur
Ref : 46904
9
Vis, m6×12
Ref : 46905
10
Embrayage de démarrage de plateau
Ref : 46906
11
Ensemble pignon de plateau
Ref : 46907
12

Ref : 46908
13
Joint d'huile 19×30×5
Ref : 46909
14
Vis, M6×105
Ref : 46910
15
Rondelle, φ6.2×1.5×φ13
Ref : 46911
16
Vis m6×35
Ref : 46580
17
Joint d'huile 30×42×4.5
Ref : 46912
18
Vis, m6×25
Ref : 46663
19
Clip de fixation
Ref : 46913
20
Carter inférieur isolant d'huile
Ref : 46914
21
Joint torique, φ106,8×2
Ref : 46915
Cache :16:35 APOLLO-IIS